Back to top
Beta
Weather
Weather
Recent
Search for a location
Western Australia
Metro
South West
Central West
North West
Surf Cameras
Safety Bay Camera
New South Wales
Metro
North
Mid North
Illawarra
South Coast
Victoria
Metro
West Coast
East Coast
South Australia
Queensland
Brisbane
Far North
Central Coast
Sunshine Coast
Gold Coast
Northern Territory
Tasmania
Hobart
West Coast
North Coast
East Coast
My Favourites
Reverse Arrows
Buy & Sell
Buy & Sell
Gallery
Gallery
Forums
Forums
All
Windsurfing
General
Gps & Speed Sailing
Wave Sailing
Foiling
Gear Reviews
Lost & Found
Windsurfing WA
Windsurfing NSW
Windsurfing QLD
Windsurfing Victoria
Windsurfing SA
Windsurfing Tasmania
Kitesurfing
General
Gear Reviews
Foiling
Newbies / Tips & Tricks
Lost & Found
Western Australia
New South Wales
Queensland
Victoria
South Australia
Tasmania
Surfing
Longboarding
Stand Up Paddle
General
Foiling
Board Talk & Reviews
Wing Foiling
Wing Foiling
Sailing
Active Topics
Subscribed Topics
Rules & Guidelines
Join
Join
Login
Lost My Details!
Join! (Its Free)
Enable JavaScript
to get the best experience.
Gallery
Sailing
image
« Previous
Next »
Discussed in these Forum posts:
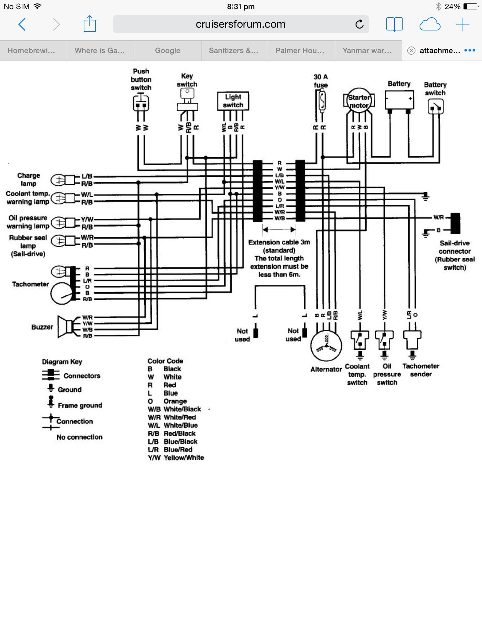
Yanmar warning beeper chirping
More like this
★
Sailing
HG02
★
R10-626-productpage-new
HG02
★
RKL 3680
HG02
★
Sailing
madmission
★
zodiac 2.4
HG02
★
dinghy
zilla
★
colombo stern
HG02
★
colombo2
HG02
★
carbon dingy
boty
★
carbon dingy
boty
★
water flow through hole
morningsun
★
Sailing
HG02
Charriot
Profile
|
Uploads
|
Watching
Details
State: QLD
Shared on 6/9/2014
Return To Classic site